西连工业连接器 Westlian.com
在线手册
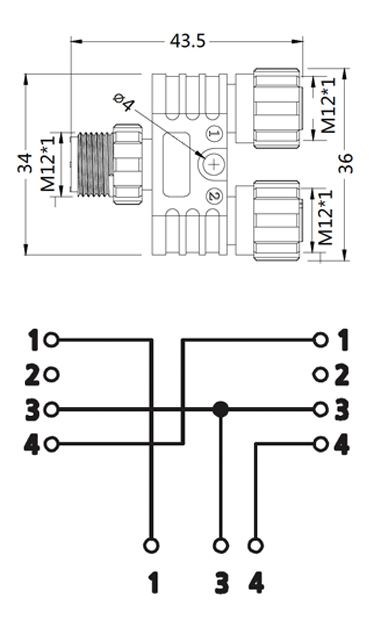
LSC 3-2LKC 3    M12 三通连接器Y型三通3PinM12 三通连接器
产品型号:
LSC 3-2LKC 3
 
订货号:
767247
 
性别:
M12 三通连接器
 
针孔位数:
3Pin
 
防呆点位:
A-型防呆位
下载PDF:
 
电气和机械性能
行业标准:
IEC 61076-2-101
连接器类型:
Y型分接头
外模/壳体:
TPU
连接器胶芯:
TPU + GF
连接器导体:
铜镀金
密封方式:
O-型密封圈
耦合螺丝/螺母:
铜镀镍
绝缘电阻:
≥100 MΩ
导体电阻:
≤5mΩ
防护等级:
IP67
额定电压:
60V AC/DC
额定电流:
4A
温度范围:
-25°C~+85°C
压线范围:
适应电缆粗细:
产品描述
M12成型式带线连接器(插头)产品,在出厂前已经把连接器部件与电缆一起注塑成型为一体,我司常用线材为PUR或PVC外被材质电缆,根据产品的终端应用要求内部芯线绝缘的选材我们常用的有PVC、SR-PVC、PP、PE几种,电路PIN位有3芯、4芯、5芯、6芯、8芯、12芯可选。配套对接的M12板端连接器(插座)有焊接电子线型与PCB板插针型,M12板端焊接型可按顾客预订要求焊接电子线及树脂灌胶封装。
● 提供PUR或PVC屏蔽电缆,可定制线材长度规格
● 线端(成型式)可定制线材长度规格
● 工业防护等级 IP 67
● 3芯、4芯、5芯、8芯、12芯可供选择
● 额定电压250V/60V/30V、额定电流4A/2A/1.5A
● 带防振松设计
产品应用领域
● 传感器、执行器、编码器、电机马达
● 工厂自动化过程控制
● 包装标签打印设备
● 工业仪器设备
● EMS电路板组件
● 工业安全光栅光幕
● 设备电池、半导体
● 现场总线: DeviceNet, CANopen, Profibus, Ethernet,
● 船舶电子、轨道交通
● LED户外显示屏、户外LED照明